pressure booster pump
pressure booster pump

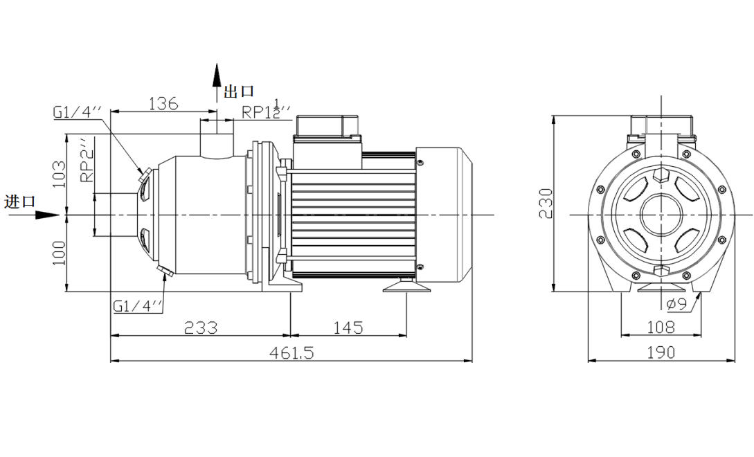
AHM-1603T 3-фазный горизонтальный многоступенчатый центробежный насос

Технические данные

Номинальное напряжение

380 В

Номинальный напор

25м

Номинальный расход

16 м³/ч

Максимальный напор

36м

Максимальный поток

23 м³/ч

Класс изоляции

Ф

Расчетное давление

10бар

Вибрация

2,8 мм/с

Класс защиты

IP54

Частота

50 Гц

Номинальный ток

4.01А

Номинальная мощность

1850 Вт

Шум

63 дБ(А)

Максимальная мощность

2500 Вт

  • Предмет номер.:

    AHM-1603T

Водоснабжение и повышение давления

Промышленная циркуляционная система

Система жидкостного охлаждения зарядной станции

Система жидкостного охлаждения хранения

Системы бытового водоснабжения

Системы циркуляции горячей воды и отопления, вентиляции и кондиционирования воздуха

Промышленные циркуляционные системы

Системы очистки и полива сада дождеванием

Системы жидкостного охлаждения центров обработки данных

1. Материал – Нержавеющая сталь

2. Многоступенчатое рабочее колесо, высокий напор

3. Двунаправленное механическое уплотнение, простота обслуживания

4. Компактная блочная конструкция

5. Все гидравлические детали, контактирующие с жидкостью, такие как ступенчатые камеры, рабочие колеса и диффузоры.

Условия труда

1. Электропитание: 1~220В/50Гц;

2. Максимальное давление в системе: ≤1,0 МПа;

3. Класс изоляции: F;

4. Степень защиты: IP54;

5. Температура транспортируемой жидкости: -25℃~90℃;

6.Передаваемая жидкость: чистая вода;

7. Данный водяной насос подходит для перекачивания питьевой воды, горячей воды, технической воды, конденсата, смеси этанола и воды (с максимальным содержанием этанола 40%), а также других жидкостей, не содержащих минерального масла, длинных волокон и едких веществ.

Заметки о дизайне

1. Защита двигателя для трехфазного двигателя переменного тока является дополнительной функцией или должна быть обеспечена на месте.

2. Однофазный двигатель переменного тока, оснащенный встроенной тепловой защитой двигателя и конденсатором.

Сертификация продукции

Продукт соответствует требованиям сертификации 3C.

Требования к среде применения

Использовать среду: смешанный раствор чистой воды/воды и этиленгликоля (≤50%)

Средняя температура воды: 0 110℃/-25℃ 110℃

Средний уровень pH 6,5-8,5

Средняя твердость 25°dH

Содержание твердых примесей в среде: диаметр и направление длины твердой примеси ≤ 0,1 мм, а объемная доля ≤ 0,1%

Требования к среде обслуживания

Использование: держите вал горизонтально

Высота: 1000м

Рабочая температура окружающей среды: -25 ℃ ∼ 55 ℃ (нет замерзания трубопровода и водяного насоса)

Рабочая влажность окружающей среды: ≤95%

Требования к среде хранения

Температура окружающей среды при хранении: -30℃∼60℃(нет замерзания трубопровода и водяного насоса)

Влажность среды хранения: ≤95%

Фабричная инспекция

Проверка герметичности машины

Обнаружение изоляции двигателя

Определение выдерживаемого напряжения

Обнаружение тока утечки

Обнаружение сопротивления заземления

Мощность холостого хода, обнаружение тока

обнаружение поворота

Тест на надежность

Испытание гидравлических характеристик

В тест на вибрацию

Н тест шума

Испытание давлением воды

Испытание электробезопасности всей машины

Тест уровня защиты

Испытание в солевом тумане

Испытание на тепловой удар

Повышение температуры

Тест на конденсат

Л тест на жизнь

Тест «Старт-стоп»

Испытание на воздействие высокой температуры и влажности

Инструкции по установке и технике безопасности

1. Перекачиваемая жидкость может иметь высокую температуру и давление. Перед перемещением и разборкой насоса необходимо слить жидкость из системы или закрыть запорные клапаны с обеих сторон насоса во избежание ожогов.

2. В зимнее время, когда перекачиваемой средой является чистая вода, если насосная система не работает или температура окружающей среды ниже 0°С, следует слить жидкость из трубопроводной системы во избежание замерзания и растрескивания корпуса насоса.

3. Если насос не используется в течение длительного времени, закройте вентили на входе и выходе насоса и отключите питание насоса. Если вы обнаружите, что двигатель перегрелся или работает ненормально, немедленно закройте вентили на входе насоса, отключите питание насоса и обратитесь к местному дилеру или в сервисный центр.

4. Храните изделие в недоступном для детей месте. После установки следует принять меры по изоляции, чтобы дети не могли к нему прикасаться.

5. Направление установки водяного насоса таково, что осевое направление насоса является горизонтальным.

6. Водяной насос необходимо установить так, чтобы исключить попадание дождя, воды, открытого огня и других воздействий.

7. Водяной насос не должен напрямую соприкасаться с твердыми предметами.

8. Запрещается запускать водяной насос без воды во избежание износа механического уплотнения или возгорания машины.

9. Перекачиваемая жидкость должна быть текчей, чистой, некоррозионной и невзрывоопасной, не содержать волокон и минеральных масел. Диаметр и длина твердых частиц должны быть ≤0,1 мм, а объемная доля должна быть ≤0,1%. Насос не предназначен для перекачивания легковоспламеняющихся жидкостей, таких как растительное масло и бензин. При использовании насоса в условиях высокой вязкости производительность насоса снижается, поэтому при выборе насоса следует учитывать вязкость перекачиваемой жидкости.

Domestic Hot Water Pump

Кривая производительности

Данная кривая производительности подходит для воды нормальной температуры, например, для насоса, работающего с неводной средой, гидравлические характеристики насоса будут снижены, поэтому при выборе насоса необходимо учитывать характеристики жидкой среды.

Flow-Head

high performance circulator pump

Поток-Мощность

residential circulator pump

Оставить сообщение
Если вы заинтересованы в нашей продукции и хотите узнать более подробную информацию, пожалуйста, оставьте сообщение здесь, мы ответим вам, как только сможем.
Представлять на рассмотрение

сопутствующие товары

pressure booster pump
AHM-1604T трехфазный горизонтальный многоступенчатый центробежный насос

Номинальное напряжение 380 В Номинальный напор 32м Номинальный расход 16 м³/ч Максимальный напор 48м Максимальный поток 23 м³/ч Класс изоляции Ф Расчетное давление 10бар Вибрация < 2,8 мм/с Класс защиты IP54 Частота 50 Гц Номинальный ток 4.52А Номинальная мощность 2200 Вт Шум < 63 дБ(А) Максимальная мощность 3100 Вт ​

Horizontal Multistage Centrifugal Pump
AHM-805T трехфазный горизонтальный многоступенчатый центробежный насос

Номинальное напряжение 380 В Номинальный напор 48м Номинальный расход 8 м³/ч Макс. напор 59м Макс. расход 15 м³/ч Класс изоляции Ф Расчетное давление 10бар Вибрация < 2,8 мм/с Класс защиты IP54 Частота 50 Гц Номинальный ток 4.01А Номинальная мощность 1850 Вт Шум < 62 дБ(А) Макс.мощность 2200 Вт ​

 Horizontal Multistage Centrifugal Pump
AHM-804T трехфазный горизонтальный многоступенчатый центробежный насос

Номинальное напряжение 380 В Номинальный напор 38м Номинальный расход 8 м³/ч Максимальный напор 48м Максимальный поток 15 м³/ч Класс изоляции Ф Расчетное давление 10бар Вибрация < 2,8 мм/с Класс защиты IP54 Частота 50 Гц Номинальный ток 3.62А Номинальная мощность 1500 Вт Шум < 62 дБ(А) Максимальная мощность 1900 Вт ​

Horizontal Multistage Centrifugal Pump
AHM-803T трехфазный горизонтальный многоступенчатый центробежный насос

Номинальное напряжение 220 В Номинальный напор 28м Номинальный расход 8 м³/ч Максимальный напор 35м Максимальный поток 15 м³/ч Класс изоляции Ф Расчетное давление 10бар Вибрация < 2,8 мм/с Класс защиты с IP54 Частота 50 Гц Номинальный ток 6.55А Номинальная мощность 1100 Вт Шум < 62 дБ(А) Максимальная мощность 1400 Вт ​

Horizontal Multistage Cenrifugal Pump
AHM-405T трехфазный горизонтальный многоступенчатый центробежный насос

Номинальное напряжение 380 В Номинальный напор 46м Номинальный расход 4м³/ч Максимальный напор 57м Максимальный поток 9,5 м³/ч Класс изоляции Ф Расчетное давление 10бар Вибрация < 2,8 мм/с Класс защиты с IP54 Номинальная мощность 1100 Вт Шум < 60 дБ(А) Максимальная мощность 1500 Вт ​

Horizontal Multistage Centrifugal Pump
AHM-404T трехфазный горизонтальный многоступенчатый центробежный насос

Номинальное напряжение 380 В Номинальный напор 35м Номинальный расход 4м³/ч Максимальный напор 42м Максимальный поток 9,5 м³/ч Класс изоляции Ф Расчетное давление 10бар Вибрация <2,8 мм/с Класс защиты IP54 Частота 50 Гц Номинальный ток 1,78А Номинальная мощность 750 Вт Шум <60 дБ(А) Максимальная мощность 1050 Вт ​

Horizontal Multistage Centrifugal Pump
AHM-403T трехфазный горизонтальный многоступенчатый центробежный насос

Номинальное напряжение 380 В Номинальный напор 28м Номинальный расход 4м³/ч Максимальный напор 33м Максимальный поток 9,5 м³/ч Класс изоляции Ф Расчетное давление 10бар Вибрация <2,8 мм/с Класс защиты IP54 Частота 50 Гц Номинальный ток 1,48А Номинальная мощность 550 Вт Номинальный напор 28м Максимальная мощность 850 Вт Максимальный напор 33м Максимальная эффективность агрегата 47% Класс изоляции Ф Шум <55 дБ(А) ​

Horizontal Multistage Centrifugal Pump
AHM-203T трехфазный горизонтальный многоступенчатый центробежный насос

Номинальное напряжение 380 В Номинальный напор 28м Номинальный расход 2м³/ч Макс. напор 33м Макс. расход 6 м³/ч Класс изоляции Ф Расчетное давление 10бар Вибрация < 2,8 мм/с Класс защиты IP54 Частота 50 Гц Номинальный ток 1,48А Номинальная мощность 550 Вт Шум < 62 дБ ( А ) Макс.мощность 650 Вт ​

china Three speed water circulation pump
Основной насос 25-8 с трехскоростной циркуляцией

РежимлБазовые 25-8, базовые 25-8SNВласть245/190/135 ВтМаксимум фонлОу6 м³/чМакс голова8 мТекущий1 1/0 85/0 6AВооруженлТейд/ частота115/230 В 50/60 ГцКорпус насосачугун, пятнолEss Steeл тело (n)Накачанный лiquidВодаИнссулation cлжопаЧАССтепень защитыIP44ЛИКИД -диапазон температуры2-110 ● (смесь gлycoли воды до 50%)Максимальное давление системы1 0 МПаСертификатыCE, GS, UL, VD, EMC, ROHС, Достичь и т Д. ​

High Efficiency Circulator manufacturer
MEGA 32-6 Автоматический циркулятор насосов

Напряжение питания220-240V 50/60 Гц, PEМоторная защитаВнешняя защита не требуетсяIP -классIP44Изоляционная классЧАСВлажность(Раствор)Максимум 95%Системное давление1 0 МПаСогласиеCE/ GS/ EMC/ LVD/ ROHS/ REACKТемпература окружающей среды0~+40●„ƒТемпературный классTF110Температура жидкости-30~+110●„ƒ (Гликол до 50%)Напряжение/ частота230 В/50 ГцКорпус насосаЧугун/нержавеющая стальЭнергия (EEI)≤0 23-Part2 ​

R290 All Inverter Circulation Pump for Heat Pump
Master H 32-9 Циркулятор теплового насоса насоса

Напряжение питания220v ~ 240V, AC, Защитная ЗемляМоторная защита Внешняя защита не требуетсяIP -классIP44Изоляционная класс ЧАСВлажность(RH)Максимум 95%Системное давление1 0 МПаСогласиеEMC/ROHS/REACK/TUV/CE/EEIТемпература окружающей среды-30●„ƒ~55●„ƒТемпературный классTF 95Температура жидкости2~+95●„ƒСоединение/профсоюзыShinhoo Standard/ Molex/ te ​

High Efficiency Circulation Pump
Высокоэффективный циркуляционный насос LPA 25-5

Напряжение питания 2 30 В 50/60Гц, ПЭ Защита двигателя Внешняя защита не требуется класс IP IP44 Класс изоляции ЧАС Влажность ( РХ ) Макс. 95% Давление в системе 1,0 МПа Согласие CE/GS/EMC/LVD/RoHS/REACH Температура окружающей среды 0 ~ +40℃ Температурный класс ТФ110 Температура жидкости 2 ~ +110℃ ​

Нужна помощь? Поболтай с нами

Оставить сообщение
Если вы заинтересованы в нашей продукции и хотите узнать более подробную информацию, пожалуйста, оставьте сообщение здесь, мы ответим вам, как только сможем.
Представлять на рассмотрение
Находясь в поиске Честь ?
Связаться с нами #
+86 0551 62379807

Наши часы

Пн, 21.11 — Ср, 23.11: 9:00 — 20:00
Чт, 24.11: выходной — С Днем Благодарения!
Пт, 25 ноября: 8:00–22:00
Сб, 26 ноября — вс, 27 ноября: 10:00–21:00
(все часы — восточное время)

Дом

Продукты

контакт